Lente gran angular HD resistente al agua
Características :
1. Aplicar a 2MP ,3MP ,4MP ,5MP espejo retrovisor y la transmisión de los medios de comunicación
2. Ojo de pez y lente panorámica .
datos del producto

datos del producto

副标题

Lente AVM de caja negra para automóvil de 2 MP de la serie 3045

Descripción detallada
Disposición

Lente de cámara AVM para caja negra de automóvil de 2 MP de la serie 3045


Una caja negra de automóvil, también conocida como cámara de tablero o DVR para vehículos, generalmente utiliza una lente gran angular para capturar una vista amplia de la carretera. Este tipo de lente está diseñado para capturar un campo de visión amplio, lo que garantiza que se incluyan en la grabación detalles importantes como señales de tránsito, marcas viales y otros vehículos.


Características principales de una lente gran angular para una caja negra de automóvil:


Campo de visión amplio: esto permite que la cámara capture un área más amplia, lo que reduce el riesgo de perder detalles importantes.


Buen rendimiento con poca luz: muchas cajas negras de automóvil vienen con lentes gran angular que tienen un buen rendimiento con poca luz, lo que permite grabaciones claras incluso en condiciones de oscuridad.


Duradero y resistente a la intemperie: las lentes de caja negra de automóvil están diseñadas para soportar condiciones climáticas adversas y vibraciones.


Algunas cajas negras de automóvil también pueden incluir lentes adicionales, como:


Cámara trasera: esta cámara captura imágenes de la parte trasera del vehículo, lo que puede ser útil para dar marcha atrás y reconstruir accidentes.


Cámara interior: esta cámara captura imágenes del interior del vehículo, lo que puede ser útil para monitorear a los pasajeros o proporcionar evidencia adicional en caso de un incidente.


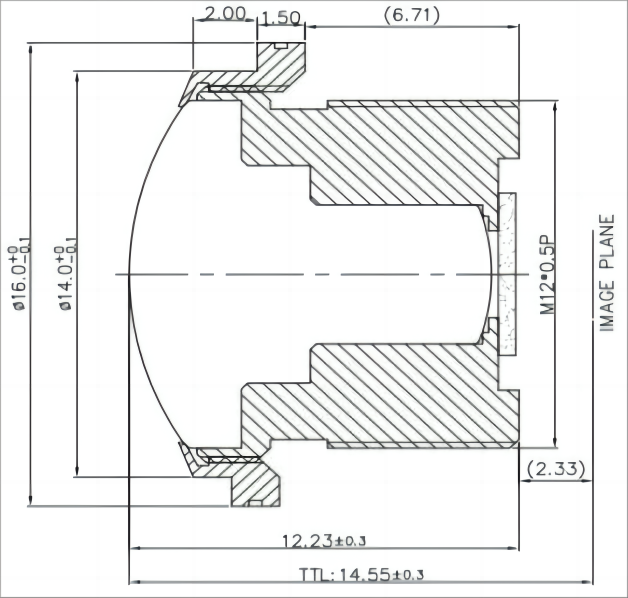
1.Modelo:OKS-3045-A67-650
2. Especificaciones ópticas
NO.ElementosDescripción
1Longitud focal1,1 mm ± 0,5 mm
2F/Número.F2.2±5%
3Distancia focal posterior óptica 3,24 mm ± 0,1
4Distancia focal posterior mecánica2,32 mm ± 0,1
5Círculo de imagen MAXi3.0
6Estructura de la lente6G+IR
7 MontarM12*0,5
8Campo de visiónsensoryoVD
1/2,7"210°210°210°
9Filtro IR650 nm
10Tiempo de vida14,55 mm
11Nivel de impermeabilidadIP68
12Temperatura de trabajo-40℃~+85℃





3045(1)(1).png




in.png   K.png   f.png   youtube.png

skype.jpg      Whatsapp.jpg

        Skype                   Whatsapp

Contáctenos


Dirección: 1208, Edificio 6, Hengda Fashion Huigu Edificio, Shilong Camino, Dalang Calle, Longhua Nuevo Distrito, Shenzhen, provincia de Guangdong, China.


Teléfono: +86-755-29016936   

Fax: +86-755-83721767

Correo electrónico: Cathy@oksee-lens.com