산품정보

산품정보

副标题

3919 시리즈 8MP AA 구조 대시캠 자동차 DVR 렌즈

세부 사항 설명
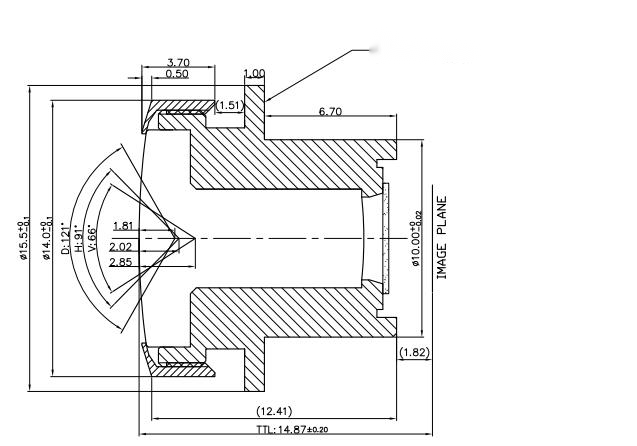
레이아웃

3919 시리즈 8MP AA 구조 대시캠 자동차 DVR 렌즈


AA 구조 정의


AA는 Active Alignment의 약자이며, 중국어 번역은 active alignment입니다. 자동차 렌즈에서 AA 구조는 정밀 기계와 알고리즘을 사용하여 렌즈와 이미지 센서(CMOS)를 정확하게 정렬하여 최상의 이미징 효과를 얻는 기술을 말합니다.


AA 구조가 필요한 이유


이미징 품질 향상: AA 구조는 렌즈와 센서의 광축이 엄격하게 정렬되도록 하여 이미지 왜곡, 색수차 및 기타 문제를 줄이고 이미지 선명도와 선명도를 향상시킬 수 있습니다.


제품 일관성 보장: 대량 생산 자동차 렌즈의 경우 AA 구조는 각 제품의 일관된 광학 성능을 보장하고 수율 문제를 줄일 수 있습니다.


혹독한 환경에 적응: 차량 환경은 복잡하고 온도 변화가 크고 진동이 잦습니다. AA 구조는 렌즈 모듈의 안정성을 개선하고 혹독한 환경에서도 우수한 이미징 효과를 보장할 수 있습니다.


AA 구조의 장점


높은 정밀도: AA 구조는 미크론 수준의 정렬 정확도를 달성하고 이미징 품질을 보장할 수 있습니다.


자동화: AA 공정은 고도로 자동화되어 생산 효율성을 개선하고 인건비를 절감합니다.


반복성: AA 구조는 배치 간 제품의 일관성을 보장합니다.


적응성: AA 구조는 다양한 유형의 렌즈와 센서에 적응할 수 있습니다.


자동차 렌즈에 AA 구조 적용


ADAS 시스템: ADAS 시스템은 카메라 이미징 품질에 대한 요구 사항이 높고 AA 구조는 ADAS 시스템이 도로 환경과 장애물을 정확하게 식별하도록 보장할 수 있습니다.


주변 뷰 시스템: 주변 뷰 시스템은 여러 카메라의 협력이 필요합니다. AA 구조는 각 카메라가 일관된 이미징을 가지고 매끄러운 주변 뷰 이미지를 함께 꿰매도록 보장할 수 있습니다.


운전자 모니터링 시스템: 운전자 모니터링 시스템은 운전자의 얼굴 표정과 움직임을 정확하게 식별해야 하며 AA 구조는 얼굴 인식의 정확도를 향상시킬 수 있습니다.


1.모델:OKS-3919-A4-650
2.광학 사양
NO.항목설명
1초점 거리2.4mm±0.5mm
2F/No.F2.0±5%
3옵티컬백 초점 거리3.48mm±0.2
4기계식 백 초점 거리1.82mm±0.2
5최대 이미지 원θ5.4
6렌즈 구조4G+IR
7마운트 유형M12*0.5
8 FOV센서HVD
1/4"91°66°121°
9IR 필터650nm
10TTL14.87MM
11방수 레벨IP68
12작동 온도-40℃~+85℃








图片1(1)(1).png



in.png    K.png    f.png    youtube.png

skype.jpg      Whatsapp.jpg

        Skype                   Whatsapp

문의하기


추가: 1208, 건물 6, 헝다 패션 후이구 빌딩, 실롱로드, 달랑 거리, 달랑 거리, 룽화 신구, 심천, 광동성, 중국.


전화: +86-755-29016936   

팩스: +86-755-83721767

이메일: Cathy@oksee-lens.com